²úÆ··ÖÀà
CIPÇåÏ´É豸ϵÁÐ
ÓÃ;¼°ÐÔÄÜ£º
CIPÇåϴϵͳË׳ƾ͵ØÇåϴϵͳ±»¹ã·ºµÄÓÃÓÚÖÆÒ©¡¢Ê³Æ·¡¢ÒûÁÏ¡¢È鯷¡¢¹ûÖ¡¢¹û½¬¡¢¹û½´¡¢¾ÆÀàµÈ»úе»¯Ë®Æ½½Ï¸ßµÄÉú²úÆóÒµÖС£¾ÍµØÇåÏ´¼ò³ÆCIP£¬ÓÖ³ÆÇåÏ´¶¨Î»»ò¶¨Î»ÇåÏ´£¨cleaning in place£©¡£¾ÍµØÇåÏ´ÊÇÖ¸²»±Ø²ð¿ª»òÒÆ¶¯×°Ö㬼´½ÓÄɸßΡ¢¸ßŨ¶ÈµÄÏ´¾»Òº£¬¶ÔÉ豸װÖüÓÒÔÇ¿Á¦×÷Ó㬰ÑÓëÎïÁϵĽӴ¥ÃæÏ´¾»,¶ÔÎÀÉú¼¶±ðÒªÇó½ÏÑϸñµÄÉú²úÉ豸µÄÇåÏ´¡¢¾»»¯¡£
ÌØµã£º
1¡¢CIPÇåϴϵͳÄܰü¹ÜÒ»¶¨µÄÇåϴЧ¹û£¬Ìá¸ß²úÆ·µÄÄþ¾²ÐÔ£»
2¡¢½ÚÔ¼²Ù×÷ʱ¼ä£¬Ìá¸ßЧÂÊ£»½ÚÔ¼ÀͶ¯Á¦£¬°ü¹Ü²Ù×÷Äþ¾²£»
3¡¢½ÚԼˮ¡¢ÕôÆûµÈÄÜÔ´£¬¼õÉÙÏ´µÓ¼ÁÓÃÁ¿£»
4¡¢Éú²úÉ豸¿ÉʵÏÖ´óÐÍ»¯£¬×Ô¶¯»¯Ë®Æ½¸ß£»
5¡¢ÑÓÓÀÉú²úÉ豸µÄʹÓÃÊÙÃü¡£
6¡¢È«×Ô¶¯CIPÇåϴϵͳ£¬ÄܶÔÇåÏ´Òº½øÐÐ×Ô¶¯¼ì²â.¼ÓÒº.ÅÅ·Å.ÏÔʾÓëµ÷½â£¬¶ÔÆäÔËÐпɿ¿£¬×Ô¶¯»¯Ë®Æ½¸ß£¬²Ù×÷¼òµ¥£¬ÇåϴЧ¹ûºÃ£¬Òò¶ø¸üÇкÏÏÖ´ú´ó¹æÄ£Á÷ÌåÒ©Æ·¡¢Ê³Æ·¼Ó¹¤¹¤ÒÕµÄÎÀÉúÒªÇó¼°Éú²úÇé¿öÒªÇó¡£
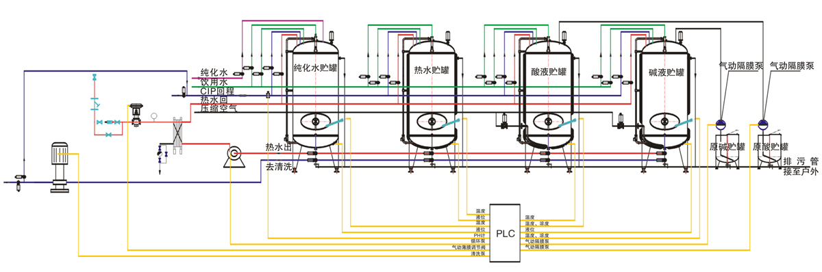
CIPÇåϴϵͳµÄ×é³É£º
ÇåË®¹Þ¡¢ÈÈË®¹Þ¡¢ËáÒº¹Þ¡¢¼îÒº¹Þ¡¢ÔËá¹Þ¡¢Ô¼î¹Þ¡¢°åʽ»»ÈÈÆ÷¡¢ÇåÏ´±Ã¡¢Ñ»·±Ã¡¢¹ýÂËÆ÷¡¢Æø¶¯¸ôĤ±Ã¡¢Ëá/¼îŨ¶È¼Æ¡¢PH¼Æ¡¢ÏµÍ³Á¬½Ó¹Ü·ºÍµçÆø¿ØÖÆÏµÍ³¡£
ÖÖÀࣺ·ÖΪÊÖ¶¯ÐÍ¡¢°ë×Ô¶¯ÐͺÍ×Ô¶¯ÐÍ
¹æ¸ñÐͺż°Ö÷Òª¼¼Êõ²ÎÊý
| ²ÎÊý/¹æ¸ñÐͺŠ| CIP500 | CIP1000 | CIP1000 | CIP10000 |
| ÔËá¹ÞÈÝ»ý (L) | 50 | 80 | 100 | 200 |
| Ô¼î¹ÞÈÝ»ý (L) | 50 | 80 | 100 | 200 |
| ËáÒº¹ÞÈÝ»ý (L) | 500 | 1000 | 2000 | 10000 |
| ¼îÒº¹ÞÈÝ»ý (L) | 500 | 1000 | 2000 | 10000 |
| ÈÈË®¹ÞÈÝ»ý (L) | 500 | 1000 | 2000 | 10000 |
| ÇåË®¹ÞÈÝ»ý (L) | 500 | 1000 | 2000 | 10000 |
| Ñ»·±Ã (T/h) | 1.5 | 3.0 | 5.0 | 20.0 |
| ÇåÏ´±Ã (T/h) | 3.0 | 5.0 | 10.0 | 20.0 |
| »»ÈÈÆ÷ (m2) | 3.0 | 5.0 | 7.0 | 15.0 |
ÒÔÉÏÐͺŽö¹©²Î¿¼£¬¿É°´Óû§ÒªÇó½øÐÐ·Ç±ê¶¨ÖÆ

ÏúÊÛÈÈÏß
0577-8692-2388
´«Õ棺0577-86922389
ÓÊÏ䣺sales@wenxiong.com
µØµã£ºÕã½Ê¡ÎÂÖÝÊÐÓÀÇ¿¸ßм¼Êõ¹¤ÒµÔ°Çø